Modul cu ecran LCD pentru cantar electronic de bucatarie
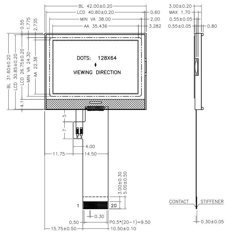
Modulul ecranului LCD este un lcd de dimensiune standard de 128x64 de puncte pentru unelte de mână; care dimensiunea este de 42,0x31,60mm, iar zona de vizualizare este de 38,0x24,30 mm; Material DFSTN cu controler ST7567.
- Introducerea Produsului
Detalii produs
Modulul ecranului LCD este un lcd de dimensiune standard de 128x64 de puncte pentru unelte de mână; care dimensiunea este de 42,0x31,60mm, iar zona de vizualizare este de 38,0x24,30 mm; Material DFSTN cu controler ST7567. Avem trei fundal pentru acest LCD, albastru, negru și gri, și putem personaliza în funcție de cerințele dvs., inclusiv dimensiunea.
Specificație



Proces de personalizare LCD
Proiectați desenul LCD: inginerul nostru va proiecta desenul LCD în funcție de cerințele clienților, va dura aproximativ 1-3 zile.
Confirmați desenul LCD: Când am terminat designul desenului, îl vom trimite clientului pentru confirmare.
Producția de scule și mostre: Când clientul a confirmat că desenul este OK, vom începe producția de scule și mostre, va dura aproximativ 15 până la 30 de zile. (Depinde de tipurile LCD)
Producție în masă: Când am terminat producția de mostre, vom trimite 5 bucăți mostre gratuite către client pentru testare; iar dacă mostrele sunt în regulă, începem producția de masă, va dura aproximativ 30-40 zile.

Tag-uri populare: Modul ecran LCD pentru cântar electronic de bucătărie, China, furnizori, fabrică, personalizat, cotație, cumpărare reducere, eșantion gratuită, fabricat în China











